Hướng Dẫn Lắp Đặt Bơm Định Lượng Prominent gamma G/4b

Trong các hệ thống châm hóa chất công nghiệp, lắp đặt bơm định lượng đúng kỹ thuật quyết định trực tiếp đến độ chính xác lưu lượng, độ ổn định vận hành và tuổi thọ thiết bị.

prominent gamma 4

Rất nhiều trường hợp bơm hoạt động sai lưu lượng, rung mạnh hoặc hỏng van sớm không phải do chất lượng bơm, mà do thiết kế và thi công hệ thống đường ống chưa chuẩn.

Bài viết này sẽ hướng dẫn chi tiết cách lắp đặt bơm định lượng theo nguyên tắc kỹ thuật quốc tế, giúp hệ thống vận hành ổn định, an toàn và chính xác.

  1. Hiểu đúng nguyên lý trước khi lắp đặt

Bơm định lượng là bơm dịch chuyển tích cực (Positive Displacement Pump). Lưu lượng được tạo ra nhờ chuyển động tịnh tiến của piston hoặc màng.

Đặc điểm quan trọng:

  • Dòng chảy có dạng xung (pulsating flow)
  • Áp suất có thể tăng rất nhanh nếu đường xả bị khóa
  • Lưu lượng không phụ thuộc nhiều vào áp suất xả (khác bơm ly tâm)

Chính vì đặc điểm này, hệ thống đường ống và phụ kiện phải được thiết kế để:

  • Giảm xung áp
  • Tạo áp ngược ổn định
  • Tránh phản xạ áp lực
  • Ngăn dòng chảy ngược

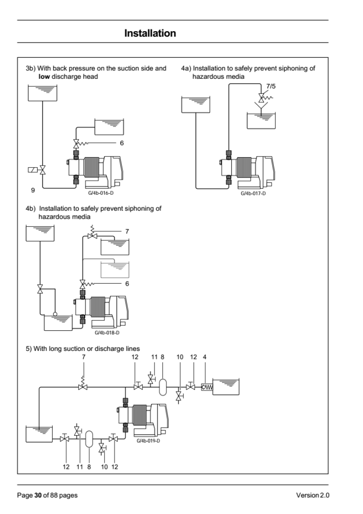
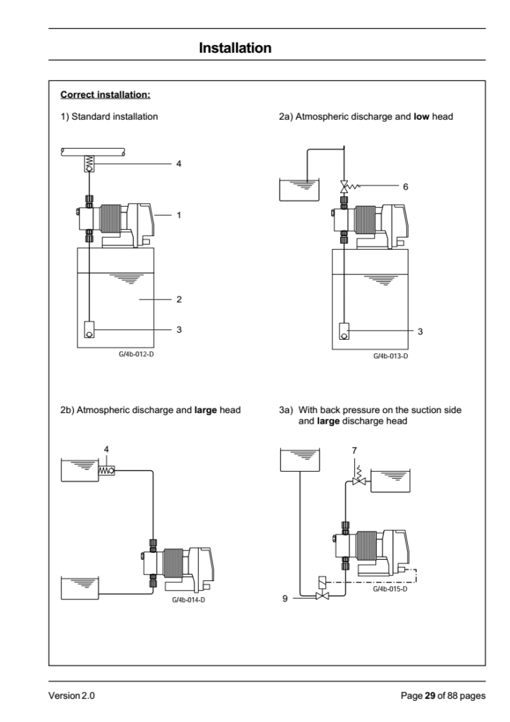
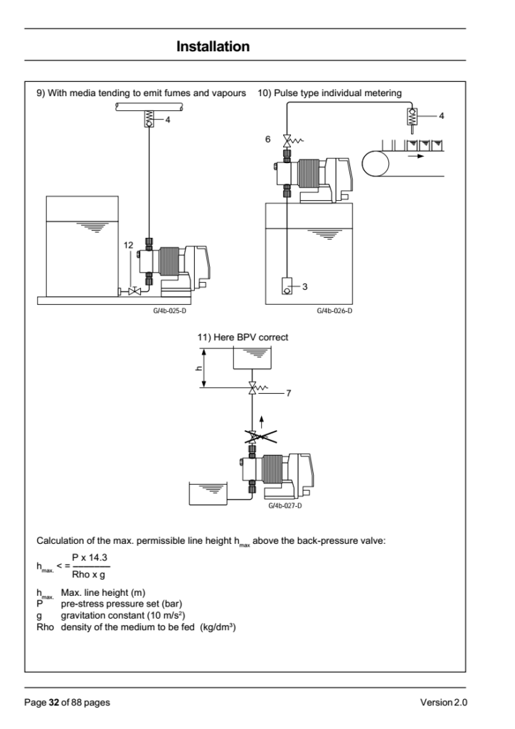
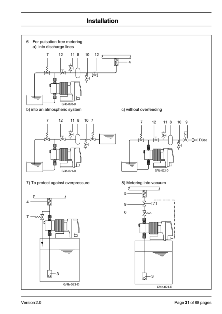
Giải thích ký tự:

  1. Metering pump – Bơm định lượng
  2. Supply tank – Bồn chứa hóa chất
  3. Foot valve with strainer and ball check valve – Van đáy kèm lưới lọc và van một chiều dạng bi
  4. Injection valve, spring-loaded – Van châm có lò xo
  5. Injection valve with reinforced spring – Van châm lò xo tăng cường
  6. Back-pressure valve TYPE DK (liquid end assembly) – Van tạo áp TYPE DK (lắp tại cụm đầu bơm)
  7. Back-pressure valve TYPE DL (discharge line installation) – Van tạo áp TYPE DL (lắp trên đường ống xả)
  8. Accumulator – Bình tích áp / Bình chống xung
  9. Solenoid valve – Van điện từ
  10. Drain valve – Van xả đáy / Van xả
  11. Bleed valve – Van xả khí / Van hồi khí
  12. Isolating valve – Van khóa / Van cô lập hệ thống

lap dat bom prominent 1lap dat bom prominent 2

lap dat bom prominent 3lap dat bom prominent 4

lap dat bom prominent 5

  1. Lắp đặt bơm – Nền móng quyết định độ chính xác

2.1 Cố định chắc chắn

Bơm phải được:

  • Lắp trên bệ phẳng
  • Bắt bulong cố định
  • Không rung lắc

Nếu bơm rung:

  • Van bi không đóng kín
  • Lưu lượng dao động
  • Màng nhanh mỏi

2.2 Đầu bơm phải thẳng đứng

Van hút và van xả của bơm định lượng hoạt động dựa trên trọng lực và áp lực chênh lệch.

Nếu đầu bơm nghiêng:

  • Bi van có thể kẹt
  • Sai số lưu lượng tăng
  • Mất mồi thường xuyên
  1. Thiết kế đường hút (Suction Line)

Đây là phần quan trọng nhất ảnh hưởng đến khả năng mồi và độ ổn định lưu lượng.

3.1 Ưu tiên kiểu “Flooded Suction”

Khuyến nghị:

  • Bồn hóa chất đặt cao hơn bơm
  • Hóa chất tự chảy vào bơm

Lợi ích:

  • Mồi nhanh
  • Giảm xâm thực
  • Tăng độ chính xác ở lưu lượng thấp

3.2 Sử dụng Foot Valve ( Van đáy) và Strainer ( lưới lọc)

Tác dụng:

  • Giữ mồi
  • Lọc cặn
  • Ngăn khí lọt vào

Nếu không dùng foot valve:

  • Hệ thống dễ mất mồi
  • Lưu lượng không ổn định

3.3 Nguyên tắc đi ống hút

  • Ống càng ngắn càng tốt
  • Tránh co góc 90° gần bơm
  • Không để ống gấp khúc
  • Không dùng ống quá nhỏ

Nếu ống hút dài hoặc hóa chất nhớt cao → tăng đường kính ống lên 1 cấp để giảm tổn thất áp.

  1. Thiết kế đường xả (Discharge Line)

Do đặc tính xung áp của bơm, đường xả cần thiết kế cẩn thận hơn nhiều so với đường hút.

4.1 Lắp Van Tạo Áp (Back Pressure Valve)

Đây là phụ kiện bắt buộc trong các trường hợp:

  • Xả vào bồn hở
  • Áp suất hệ thống thấp
  • Cần tuyến tính hóa lưu lượng

Van tạo áp giúp:

  • Duy trì áp suất ngược tối thiểu (~1 bar)
  • Ổn định hành trình piston
  • Giảm sai số ở lưu lượng nhỏ

Nếu không lắp:

  • 50% hành trình chưa chắc = 50% lưu lượng
  • Lưu lượng dao động mạnh

4.2 Lắp Van Châm (Injection Valve)

Van châm được lắp tại điểm đưa hóa chất vào đường ống chính.

Chức năng:

  • Ngăn dòng chảy ngược
  • Tạo áp ngược
  • Bảo vệ bơm

Nên chọn vật liệu tương thích với hóa chất (PVDF, PTFE, SS316…).

4.3 Lắp Pulsation Dampener (Bình chống xung)

Do bơm định lượng tạo xung áp, nếu không có bình chống xung:

  • Ống rung
  • Áp dao động
  • Đồng hồ đo áp đọc sai
  • Van nhanh hỏng

Vị trí lắp chuẩn:

Lắp càng gần đầu xả bơm càng tốt, trước van tạo áp.

Lợi ích:

  • Giảm 80–90% xung áp
  • Tăng tuổi thọ hệ thống
  • Ổn định lưu lượng

4.4 Đi ống xả đúng kỹ thuật

Nguyên tắc:

  • Uốn cung mềm
  • Tránh góc gấp 90°
  • Không kéo căng ống
  • Cố định bằng clamp

Ống gấp khúc gây:

  • Phản xạ xung áp
  • Rung mạnh
  • Sai số lưu lượng
  1. Bảo vệ hệ thống khỏi quá áp

Vì là bơm dịch chuyển tích cực, nếu đầu xả bị khóa:

  • Áp suất tăng cực nhanh
  • Có thể vỡ ống hoặc hỏng đầu bơm

Giải pháp:

  • Lắp van an toàn (relief valve)
  • Không bao giờ khóa van khi bơm đang chạy
  • Kiểm tra hệ thống trước khi vận hành
  1. Quy trình kiểm tra trước khi vận hành

Trước khi chạy thử:

  1. Kiểm tra tất cả kết nối siết chặt
  2. Xả hết khí trong đường hút
  3. Đảm bảo van tạo áp đã lắp
  4. Mở van xả hoàn toàn
  5. Kiểm tra áp lực làm việc trong giới hạn bơm
  6. Những lỗi lắp đặt phổ biến
    • Không lắp van tạo áp
    • Không dùng pulsation dampener
    • Đường hút quá dài
    • Ống gấp khúc 90°
    • Bơm không cố định chắc

Hậu quả:

  • Sai số lưu lượng >10%
  • Hỏng màng nhanh
  • Van bi mòn sớm
  • Rung hệ thống
  1. Checklist lắp đặt bơm định lượng chuẩn
Hạng mục Đã kiểm tra
Bơm cố định chắc chắn
Đầu bơm thẳng đứng
Flooded suction
Có foot valve
Có pulsation dampener
Có back pressure valve
Có injection valve
Đường ống uốn mềm
Không rò rỉ khí
  1. Kết luận

Lắp đặt bơm định lượng không chỉ là nối ống và cấp điện.

Đây là quá trình thiết kế hệ thống thủy lực đúng nguyên lý dịch chuyển tích cực, đảm bảo:

  • Định lượng chính xác ±1%
  • Vận hành ổn định
  • Tuổi thọ bơm tối đa
  • An toàn cho người và thiết bị

Một hệ thống châm hóa chất chuẩn phải có đầy đủ:

  • Van tạo áp
  • Van châm
  • Bình chống xung
  • Thiết kế đường ống hợp lý

Nếu bạn đang triển khai hệ thống:

  • Châm clo xử lý nước
  • Châm PAC / Polymer
  • Châm axit / kiềm
  • Dây chuyền sản xuất hóa chất

Hãy đảm bảo lắp đặt bơm định lượng đúng kỹ thuật ngay từ đầu để tránh chi phí sửa chữa và dừng máy về sau.

Bài viết được thực hiện bởi VIMEX

Nguyễn Hồng: 0989 775 196

Chat on Zalo Call us